暖通雜淡
菲斯曼WH1D與A1JC鍋爐接口尺寸和煙道尺寸介紹。
作者:武漢菲斯曼 添加時間:2017-5-12 15:18:37 瀏覽:
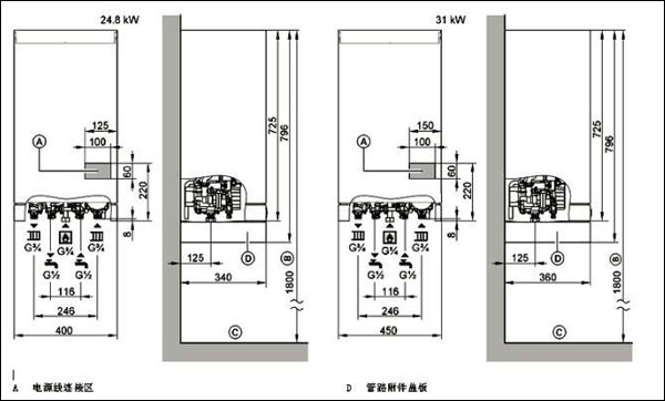
很多安裝師父忘記了菲斯曼壁掛爐Wh1D、A1JC接口尺寸和煙道尺寸。今天舒適家就給大家介紹一下菲斯曼壁掛爐安裝時下方預(yù)留的采暖供回水、燃氣管、生活冷熱水管道之間的間距、燃氣鍋爐煙道出墻尺寸位置介紹。

菲斯曼Wh1D安裝尺寸介紹(下圖)

菲斯曼A1JC鍋爐安裝尺寸(下圖)

菲斯曼壁掛爐安裝煙道要求(下圖)
煙道長度要求(下圖)

菲斯曼壁掛爐煙道安裝說明:1.煙道孔對于100的煙道最少需要打110的孔,最好打120的煙道孔。2.排煙管最大長度不能超過3米。3.加裝45度排煙/進煙彎頭減0.5米;87度排煙/進氣彎管減少1米;4.外墻連接管必須至少有3度的坡度。
